



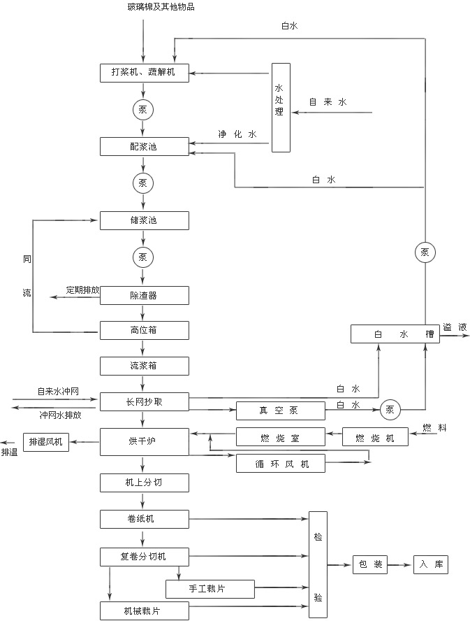
工艺流程

产品规格参数
| 年产量(吨) | 300、600、800、1200、2000 |
| 原料 | 高碱、中碱、无碱等玻纤棉{打桨度°SR(24、29、34、39、44、49)} |
| 产品成型宽度(mm) | 1000、1100、1300、1500、1800 |
| 产品成型厚度(mm) | 0.3-25 |
| 烘干能源 | 电、柴油、液化气、天然气、煤气、煤 |
| 机组适用 | AGM隔板、复合隔板、保温纸、陶瓷纤维纸、过滤纸 |





| 年产量(吨) | 300、600、800、1200、2000 |
| 原料 | 高碱、中碱、无碱等玻纤棉{打桨度°SR(24、29、34、39、44、49)} |
| 产品成型宽度(mm) | 1000、1100、1300、1500、1800 |
| 产品成型厚度(mm) | 0.3-25 |
| 烘干能源 | 电、柴油、液化气、天然气、煤气、煤 |
| 机组适用 | AGM隔板、复合隔板、保温纸、陶瓷纤维纸、过滤纸 |
三亿体育app平台专业生产隔板生产线、短切毡生产线、无张力烘干机、预缩烘干机等设备。